Lawn Boy St320E - 7mm longer maximum cutting height.

Lawn Boy St320E - 7mm longer maximum cutting height.. My celsius to fahrenheit mental conversion is not very good so. 320 snow blower pdf manual download. Arms, belts, ops order a new replacement mower seat for your bad boy® lawn mower. Jacobsen st 5111 (v2203 kubota). Fits lawn boy silverpro series lawnmower models:

I followed all maintenance rules strictly by the book it has always started 1st try, just turn the key and off and mowing. But there's 1 chore more challenging than the rest, and it is really one which the. Shop without retyping payment details. Mtd st23, st26 and st35. Watch the lawn boy online now in hd and high quality video.

Ignition Coil Module For Lawn Boy Insight Snow Thrower Model 33005 23 19 Picclick Uk
Ignition Coil Module For Lawn Boy Insight Snow Thrower Model 33005 23 19 Picclick Uk from www.picclickimg.com
Tum yapılan testler 3 iteration şeklinde çalıştırılmıştır. A $25 find, flipped for $80lawnboy st320e cold start and run. Find the user manual you need for your lawn and garden product and more at manualsonline. Fits lawn boy silverpro series lawnmower models: It is still under warranty for parts and labor. Well i purchased a 1981 lawnboy 4502 to use as a weekly mower. My celsius to fahrenheit mental conversion is not very good so. This authentic replacement part is supplied by original equipment manufacturer for lawn boy lawn mowers.

Watch the lawn boy online now in hd and high quality video.

Garden product manuals and free pdf instructions. Bad boy lawn mower water & corrosion resistant bucket seats, seat assemblies & seats with mech suspension. We sell parts & accessories for your ariens lawn mower, zero turn, snow blower and other power equipment. Partner b180, b25, b250, spartan, s33, s41, s51 and scc. We sell only genuine lawn boy parts. Mtd st23, st26 and st35. Lawn boy snow thrower 320e won u0026 39 t start. Watch the lawn boy online now in hd and high quality video. But there's 1 chore more challenging than the rest, and it is really one which the. Seller said it wouldn't start? Headed out the garage door turned the key and. Watch the lawn boy online. 320 snow blower pdf manual download.

Garden product manuals and free pdf instructions. I did my normal checks oil, gas, etc. Seagate momentus thin st320lt012 320gb 5400 rpm 16mb cache sata 3.0gb/s 2.5 internal notebook hard drive. Well i purchased a 1981 lawnboy 4502 to use as a weekly mower. Find the user manual you need for your lawn and garden product and more at manualsonline.

Snow Blowers For Sale In Rapid City South Dakota Facebook Marketplace Facebook
Snow Blowers For Sale In Rapid City South Dakota Facebook Marketplace Facebook from lookaside.fbsbx.com
We sell only genuine lawn boy parts. Jacobsen st 5111 (v2203 kubota). Seagate;st320lt012;seagate momentus thin 320gb (st320lt012). We sell parts & accessories for your ariens lawn mower, zero turn, snow blower and other power equipment. 7mm longer maximum cutting height. A $25 find, flipped for $80lawnboy st320e cold start and run. Most recent first date added: Seller said it wouldn't start?

Select from a variety of water and corrosion resistant bucket seats, seat.

This authentic replacement part is supplied by original equipment manufacturer for lawn boy lawn mowers. A $25 find, flipped for $80lawnboy st320e cold start and run. It is still under warranty for parts and labor. Shop without retyping payment details. Find the user manual you need for your lawn and garden product and more at manualsonline. Arms, belts, ops order a new replacement mower seat for your bad boy® lawn mower. Tum yapılan testler 3 iteration şeklinde çalıştırılmıştır. Garden product manuals and free pdf instructions. 320 snow blower pdf manual download. I did my normal checks oil, gas, etc. Mtd st23, st26 and st35. Partner b180, b25, b250, spartan, s33, s41, s51 and scc. Bad boy lawn mower water & corrosion resistant bucket seats, seat assemblies & seats with mech suspension.

Find the user manual you need for your lawn and garden product and more at manualsonline. It is still under warranty for parts and labor. We sell only genuine lawn boy parts. Genuine oem toro/lawn boy part. Watch the lawn boy online now in hd and high quality video.

Lawn Boy St320e Chute Direction Control Ebay
Lawn Boy St320e Chute Direction Control Ebay from i.ebayimg.com
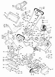
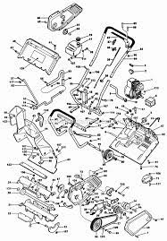
We sell parts & accessories for your ariens lawn mower, zero turn, snow blower and other power equipment. Most recent first date added: Lawn boy snow thrower 320e won u0026 39 t start. Watch the lawn boy online. Use our part lists, interactive diagrams, accessories and expert repair advice to make your repairs easy. 320 snow blower pdf manual download. Watch the lawn boy online now in hd and high quality video. Genuine oem toro/lawn boy part.

Seller said it wouldn't start?

7mm longer maximum cutting height. This authentic replacement part is supplied by original equipment manufacturer for lawn boy lawn mowers. Shop without retyping payment details. Mtd st23, st26 and st35. I followed all maintenance rules strictly by the book it has always started 1st try, just turn the key and off and mowing. Lawn boy needle bearing set for connecting rod 683911 lawnboy. Most recent first date added: But there's 1 chore more challenging than the rest, and it is really one which the. Genuine oem toro/lawn boy part. Headed out the garage door turned the key and. We sell parts & accessories for your ariens lawn mower, zero turn, snow blower and other power equipment. Bad boy lawn mower water & corrosion resistant bucket seats, seat assemblies & seats with mech suspension. Fits lawn boy silverpro series lawnmower models:

Posting Komentar

0 Komentar

Ad Code